8 (800) 775 40 55
Звонок из регионов России
бесплатный!
бесплатный!
Профессиональный строительный инструмент и оборудование
Каталог инструментов
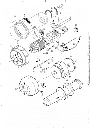
Аппарат горячего воздуха Leister Electron
Модель снята с производства! Аппарат горячего воздуха Leister Electron (Ляйстер Электрон) – мощный, компактный, прочный, надежный и долговечный строительный фен со встроенной подачей воздуха и плавной регулировкой температуры для решения различных задач – инструмент для профессионала. Используется для сварки кровельных гидроизолирующих покрытий, в том числе и битумно-полимерных (сварка внахлест, сварка плавлением); для усадки термоусадочных трубок, муфт и пленок; для процессов нагрева и сушки.
Производитель: LEISTER (ЛЯЙСТЕР) – Швейцария.
Преимущества аппарата горячего воздуха Leister Electron:
- Большой расход воздуха при высокой мощности
- Рассчитан на длительную эксплуатацию, возможна многократная замена щеток
- Может устанавливаться в технологическое оборудование или использоваться вручную
| Изображение | Артикул | Наименование |
| 107.258 | Широкая щелевая насадка 70 × 10 мм для сварки битумных покрытий | |
| 107.134 | Широкая щелевая насадка 40 × 2 мм для сварки битумных покрытий | |
| 107.266 | Широкая щелевая насадка 75 × 2 мм, вкл. подставку (арт. № 116.753) | |
| 116.753 | Подставка | |
| 107.270 | Широкая щелевая насадка 150 × 12 мм | |
| 107.229 | Круглая насадка, d = 20 мм | |
| 107.331 | Насадка для усадки створчатая 70 × 70 мм | |
| 107.327 | Решетчатая рефлекторная насадка 85 × 85 мм | |
| 107.333 | Решетчатая рефлекторная насадка 150 × 130 мм | |
| 107.340 | П-образная рефлекторная насадка 45 × 250 мм для равномерной усадки | |
| 107.328 | Насадка для усадки створчатая 60 × 75 мм | |
| 106.127 | Решетчатая рефлекторная насадка "душ" ∅ 65 мм | |
| 107.330 | Створчатая рефлекторная насадка, 125 × 22 мм | |
| 116.054 | Шаберная насадка, (используется только с трубкой нагревательного элемента, арт. № 116.053) | |
| 105.961 | Широкая щелевая насадка, 45 × 12 мм, длина 350 мм (для литейного производства) | |
| 107.347 | Мечеобразная насадка 74 × 12 × 520 мм с ПТФЭ-покрытием | |
| 107.346 | Зеркальная насадка 270 мм | |
| 107.348 | Подставка | |
| 113.269 | Hагревательный элемент, 230 В / 3400 Вт |
Цена и технические характеристики аппарата горячего воздуха Leister Electron:
Технический паяльный фен
-
Алмазные коронки по железобетону Kern Diamond Bit Concrete Premium 142 ммДиаметр: 142 ммРабочая длина: 450 ммЦена: 15 500 руб.
-
Стальная труба для грувлока ПССТ 25/34 мм ПрофСтройСнабВнутренний / наружный Ø труб: 25 / 34 ммДлина: от 1 мЦена: 222 руб.
-
Алмазные коронки по железобетону Kern Diamond Bit Concrete Premium 25 ммДиаметр: 25 ммРабочая длина: 450 ммЦена: 5 000 руб.
-
Алмазная коронка для сухого бурения с микроударом Адель Diamond Hit DH-D401 250 ммДиаметр: 250 ммРабочая длина: 450 ммЦена: 34 400 руб.
-
Алмазная коронка для сухого сверления подрозетников с микроударом Адель Diamond Hit DH-D400 68/65 ммДиаметр: 68 ммРабочая длина: 65 ммЦена: 5 400 руб.
-
Коронка алмазная по бетону Golden Dragon М22 132/350 ммДиаметр: 132 ммРабочая длина: 300 ммЦена: 4 990 руб.
-
Ручной желобонакатчик для грувлок Remmers Groover M 1-12Диаметр труб: 1" - 12"Толщина стенки труб: ≤ 8 ммЦена: по запросу
-
Двойная муниципальная спираль с Т-образными замками для прочистки канализации Crocodile DC 32 / 16 мм × 3 мДиаметр: 32 / 16 ммДлина: 3 мЦена: 8 757 руб.
Новости
-
26.11.2025Новые поступления для серьёзной работы: спираль и адаптер от Crocodile
-
21.11.2024Поступление желобонакатчиков GruvMaster - Новинка на Российском рынке!
-
27.12.2023С новым 2024 годом!
-
20.12.2022Режим работы в Новогодние праздники
-
12.10.2022ФСБ сообщила о попытке теракта с ПЗРК «Игла» в Подмосковье












Отзывы
Оставьте Ваш отзыв